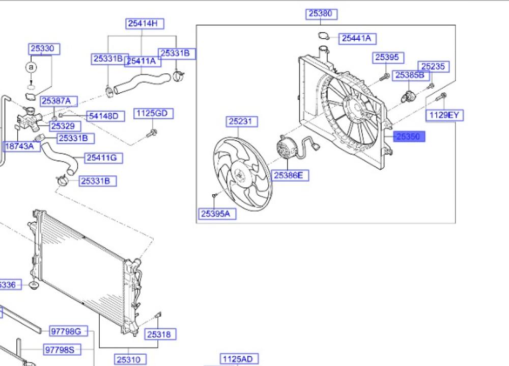
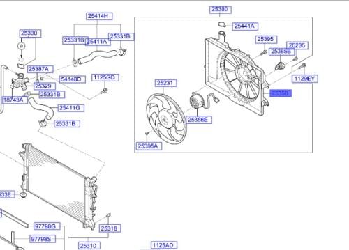
قاعدة دينمو رديتر – Hyundai Elantra 2014 – أصلي
Radiator Fan Motor Mount Bracket
تُستخدم قاعدة دينمو الرديتر لتثبيت موتور مروحة التبريد في مكانه بشكل محكم، وهي من الأجزاء الحيوية التي تضمن سلامة نظام التبريد في السيارة من خلال الحفاظ على استقرار المروحة ومنع اهتزازها أو تلفها أثناء التشغيل.
مواصفات قاعدة دينمو رديتر أصلى :
- رقم القطعة: 25350-3X500
- الموديلات المتوافقة:
- هيونداي إلنترا Hyundai Elantra
- موديل: 2014
- الموقع: خلف أو بجانب الرديتر – لتثبيت دينمو المروحة
- النوع: قاعدة / حاملة موتور مروحة الرديتر
- الخامة: بلاستيك مقوى مقاوم للحرارة أو معدن (حسب التصميم)
- الماركة: قطع غيار أصلية معتمدة
- بلد المنشأ: كوريا الجنوبية
الوظيفة:
- تثبيت دينمو مروحة الرديتر بشكل آمن
- امتصاص الاهتزازات الناتجة عن دوران المروحة
- المساعدة في الحفاظ على كفاءة دوران المروحة
- حماية الدينمو والمروحة من التلف أو الخلع أثناء التشغيل
المميزات:
- منتج أصلي مطابق لمواصفات الشركة المصنعة (OEM)
- مقاومة عالية للحرارة والاهتزاز والتآكل
- تصميم دقيق يضمن سهولة التركيب دون تعديلات
- يدعم عمل نظام التبريد بأداء مستقر وطويل الأمد
الأثر على السيارة:
- يحافظ على كفاءة نظام تبريد المحرك
- يقلل من فرص الأعطال في مروحة الرديتر
- يساهم في ثبات درجة حرارة المحرك
- يحمي أجزاء التبريد الأخرى من التلف
لكل ما تحتاجه من قطع غيار لسيارتك الهيونداي.. اضغط هنا